legines.com
105l ferro fistulam diu filum nut

105l ferro fistulam diu filum nut

Product Features:
■■ ■■ ■■ ■■ ■■ ■■ ■■ ■■ ■■ ■■ ■■ ■■ ■■ ■■ ■■ ■■ Omnes aeris constructione
■■ Ul enumerantur pro flammabiles liquido et Gas
■■ Iudicum eget requisita Sae J512
■■ Ferro nut ad oeconomiam

Fora: Applications:
■■ Aeris condiciones ■■ Refrigerant lineas
■■ Marinus ■■ Lineas fregit
■■ Mobilis ■■ Fuel lineas
■■ Engines

Compatible Tubing:
■■ Aes
■■ Aes
■■ Aluminium
■■ Welded ferro hydraulical Tubing

Reference Part No:

Contact Us

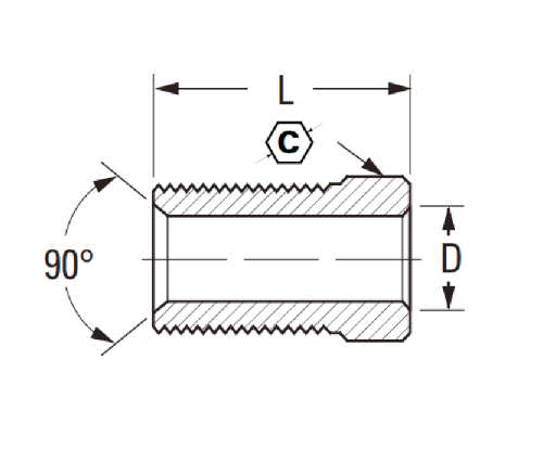
Cubits

Pars #

O.d fistulam

C

D

L

105L-III

3/16 3/8 .196

.844

105l-IV

1/4 7/16 .257 .812

Hoc est aes constructione, longa filum nut ad tubo usque ad 1/4 "o.d. materia. Hoc features ulistered pro flammabiles liquore et Gas, occurrit eget de Sae J512 & Ul CMXXIII / Ul CLXXXI & Fmvs CCCII
Vultus pro immaculatam ferro Tubing nuces? Hoc album est pro vobis? 105l immaculatam ferro fistulam longo filum nut est magna upgrade ad plumbing system quod aedificatur omnium aeris constructione et occurrit eget de Sae J512. Venit in multis magnitudinum ita certus ut reprehendo eos.

Contactus nobiscum

De Legines

Leginae Industrial Machinery Inc.

Sicut professional Sinis aeris caerimonias fabrica et dis in caerimonias suppliciers.it adoptat plena cnn machining et owns workshop area MMMDC quadratum metris. XLV Automatic Machina Tools, XXXV Semi-Automatic Cnc Machina Tools, tum distributors, qui facti sunt momenti amet pro productio American Latin aes in Sina ...
  • honos
  • honos

Mandatum & News