legines.com
CXXXI Steel invertitur fregit linea plug

CXXXI Steel invertitur fregit linea plug

Product Features:
■■ ■■ ■■ ■■ ■■ ■■ ■■ ■■ ■■ ■■ ■■ ■■ ■■ ■■ ■■ ■■ Omnes aeris constructione
■■ Ul enumerantur pro flammabiles liquido et Gas
■■ Iudicum eget requisita Sae J512
■■ Ferro nut ad oeconomia

Fora: Applications:
■■ Aeris condiciones ■■ Refrigerant lineas
■■ Marinus ■■ Lineas fregit
■■ Mobilis ■■ Fuel lineas
■■ Engines

Compatible Tubing:
■■ Aes
■■ Aes
■■ Aluminium
■■ Welded Steel Hydraulical Tubing

Contact Us

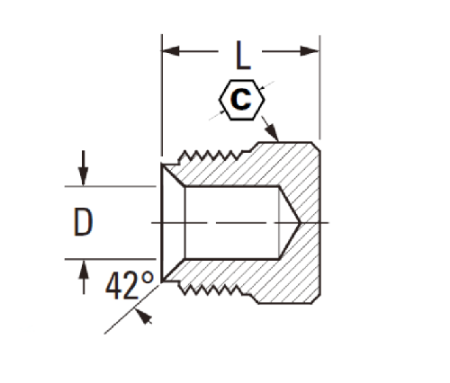
Cubits

Pars #

O.d fistulam

C

D

L

131-3

3/16 3/8 .188

.53

131-4

1/4 7/16 .188 .54

131-5

5/16 1/2 .250 .59

131-6

3/8 5/8 .312 .66

* Ref.sae No.040109 BA

CXXXI nostri CXXXI aeneum invertitur fregit linea caerimonias ordinantur specie Gas et cibus lineas. Inverted Design providet Leak-Free Connection in stricta applications.
CXXXI Steel invertitur fregit linea plug est ignis et gasoline compatible, invertitur clavis-style plug disposito ad signare terminatio finem flexibile Tubing. Fit ex cadmiae patella ferro ad corrosio resistentia et integralis plastic inserere quod offert vires contra distortionem. Etiam available cum aes constructione.
Hoc productum est aes et ferro patella obturaculum cum inverso flare decet. Non est factum accipere I / 8th fistula. Et dimensio est .53 "diameter per .54" alta, hoc genus plug potest solum esse in aeris, ferro et aluminium Tubing.
Oeconomia saepe nomen ludum in fregit linea applications. Et non est melius quam pecuniam quam cum hac linea plug qui custodit nova caeli ex lineis, sed magnus et durabit annos futura. Et ferro nut et aes dolio, hoc est certus in occursum tuum necessitates.

Contactus nobiscum

De Legines

Leginae Industrial Machinery Inc.

Sicut professional Sinis aeris caerimonias fabrica et dis in caerimonias suppliciers.it adoptat plena cnn machining et owns workshop area MMMDC quadratum metris. XLV Automatic Machina Tools, XXXV Semi-Automatic Cnc Machina Tools, tum distributors, qui facti sunt momenti amet pro productio American Latin aes in Sina ...
  • honos
  • honos

Mandatum & News