legines.com
CV ferro Tube nut Lyre

CV ferro Tube nut Lyre

Product Features:
■■ ■■ ■■ ■■ ■■ ■■ ■■ ■■ ■■ ■■ ■■ ■■ ■■ ■■ ■■ ■■ Omnes aeris constructione
■■ Ul enumerantur pro flammabiles liquido et Gas
■■ Iudicum eget requisita Sae J512
■■ Ferro nut ad oeconomiam

Fora: Applications:
■■ Aeris condiciones ■■ Refrigerant lineae
■■ Marinus ■■ Lineas fregit
■■ Mobilis ■■ Fuel lineas
■■ Engines

Compatible Tubing:
■■ Aes
■■ Aes
■■ Aluminium
■■ Welded ferro hydraulical Tubing

Reference Part No:
MMXV - 411fs - CV - 41W

Contact Us

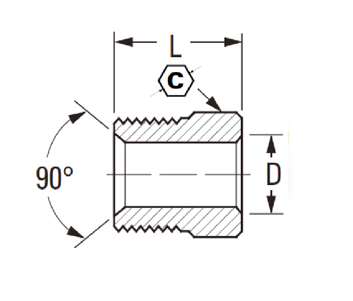
Cubits

Pars #

O.d fistulam

C

D

L

105-3

3/16 5/16 .196

.56

105-4

1/4 3/8 .259 .56

105-5

5/16 7/16 .321 .62

105-6

3/8 5/8 .384 .66

105-8

1/2

3/4

.508

.74

105-10

5/8

7/8

.632

.80

105-12

3/4

1-1 / XVI

.757

.88

CV series humilis sumptus expetit. Factum est aeris et habet features fomes fluidi et Gas lineas. Et CV series includit ferro nuces ad oeconomiam, quae sunt available in multis magnitudinum. Hoc etiam iactat compatibility cum numerosis tubing materiae inter aeris, aes, aluminium, et welded ferro hydraulicis tubing.
De Pars Nemo: MMXV - 411fs - CV - 41W est fabricari per Miller Welder ad auxilium facere industriae et commercial amet tutius, magis agentibus et parabilis. Et pars non.: MMXV - 411fs - CV - 41w Ul rated pro flammabiles liquores et vapores. Hoc productum factum est de magno gradu aes, quod non corrode aut rubigo in usu.
Et CV ferro Tube nut Lyre Flare Delivers Longum Productum cum 1/2 "Male NPT decet et 3/8" flare. Suus 'facta ab altum qualitas omnes aes constructione, testimonii vel excedens omnes pertinet codicibus Ansi B16.11 et Sae J512. Hoc productum est disposito usus in sequentibus applications: Aeris condiciones (including automotive acies), refrigerant lineas et refrigerandum oleum lineas, marine, fregit lineas, mobile lineas, engines, etc.
Hoc 3/4 "x 3/4" x VIII "ferro nucis flare decet cum pressura sigillum gasket potest adiuvare vos adepto ad reliability Tubing lineas et salute vos exigere aeris, cum a aere, ut hujuscemodi, ut exigit in industria, cum aurei et iniquas ad hoc quoddam per metam, cum aurei, ut hujuscemodi, ut exitibus, in aere, cum aurei, ut aere, ut aere, ut aere, ut aere, ut aere, ut aere, ut exitibus et aere, in ulla corrosio exitibus.

Contactus nobiscum

De Legines

Leginae Industrial Machinery Inc.

Sicut professional Sinis aeris caerimonias fabrica et dis in caerimonias suppliciers.it adoptat plena cnn machining et owns workshop area MMMDC quadratum metris. XLV Automatic Machina Tools, XXXV Semi-Automatic Cnc Machina Tools, tum distributors, qui facti sunt momenti amet pro productio American Latin aes in Sina ...
  • honos
  • honos

Mandatum & News