legines.com
C aes invertitur Flammam apta Tube nut

C aes invertitur Flammam apta Tube nut

Product Features:
■■ ■■ ■■ ■■ ■■ ■■ ■■ ■■ ■■ ■■ ■■ ■■ ■■ ■■ ■■ ■■ Omnes aeris constructione
■■ Ul enumerantur pro flammabiles liquido et Gas
■■ Iudicum eget requisita Sae J512
■■ Ferro nut ad oeconomiam

Fora: Applications:
■■ Aeris condiciones ■■ Refrigerant lineas
■■ Marinus ■■ Lineas fregit
■■ Mobilis ■■ Fuel lineas
■■ Engines

Compatible Tubing:
■■ Aes
■■ Aes
■■ Aluminium
■■ Welded ferro hydraulical Tubing

Reference Part No:
MMC 41IF - C - 41ib

Contact Us

Cubits

Pars #

O.d fistulam

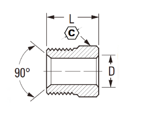
C

D

L

100-3

3/16 3/8 .196

.56

100-4

1/4 7/16 .259 .56

100-5

5/16 1/2 .321 .62

100-6

3/8 5/8 .384 .66

100-8

1/2

3/4

.508

.74

* Ref.sae No.04010 Ba

Fortis et frugi, hoc invertitur Flare decet factum ex aere. Et conveniens includit ferro nut ad salutem et potest esse aeris, aes aut aluminium Tubing. Convenit omnes eget requisita Sae J512.
Omnes-aes constructione, C% ASME B16.28, SAE J512 & SA J5195.0 Compressor Fittings sunt disposito in altum temperatus applications de vapore et aqua. Clostridium pipe compatibility, potest esse coniuncta ad ullus ferro Tubing aut pipe usque ad I inch (XXV millimeters).
Hoc invertitur Flare decet Tube nut, vulgo ut a coupler, quod disposito coniungere duo pieces of Tubing in eodem plano. Fallitur uses ferro nut cum flumine finem qui vices in femina exortus decet alteri fistulam. Hae caerimonias usus extensive in an ordinata de applications ex aeris condiciones ad marine et mobile Diesel Engines.
Gravis officium - haec invertunt Flare caerimonias fiunt omnino aere et specialiter disposito utendum est cum aut aeris vel aluminium Tubing. Quisque conveniens est totaliter Populi et gravibus officium constructione ensures diuturnitatem in usus.

Contactus nobiscum

De Legines

Leginae Industrial Machinery Inc.

Sicut professional Sinis aeris caerimonias fabrica et dis in caerimonias suppliciers.it adoptat plena cnn machining et owns workshop area MMMDC quadratum metris. XLV Automatic Machina Tools, XXXV Semi-Automatic Cnc Machina Tools, tum distributors, qui facti sunt momenti amet pro productio American Latin aes in Sina ...
  • honos
  • honos

Mandatum & News