legines.com
CCII invertitur Flare caerimonias masculum iungo

CCII invertitur Flare caerimonias masculum iungo

Product Features:
■■ ■■ ■■ ■■ ■■ ■■ ■■ ■■ ■■ ■■ ■■ ■■ ■■ ■■ ■■ ■■ Omnes aeris constructione
■■ Ul enumerantur pro flammabiles liquido et Gas
■■ Iudicum eget requisita Sae J512
■■ Ferro nut ad oeconomia

Fora: Applications:
■■ Aeris condiciones ■■ Refrigerant lineae
■■ Marinus ■■ Lineas fregit
■■ Mobilis ■■ Fuel lineas
■■ Engines

Compatible Tubing:
■■ Aes
■■ Aes
■■ Aluminium
■■ Welded ferro hydraulical Tubing

Reference Part No:
MMCC - 48ifhd - CCII - 48W - CC

Contact Us

Cubits

Pars #

Fistulam O.D × Thread

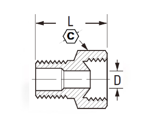
C

D

L

202-2a

I / VIII × I / VIII 13/32 .078 .62

202-3A

III / XVI × I / VIII 15/32 .125 .70

202-4a

I / IV × I / VIII 17/32 .188 .74

202-4b

I / IV × I / IV 9/16 .188 .89

202-5a

V / XVI × I / VIII 19/32 .219 .79

202-5b

V / XVI × I / IV 19/32 .220 .98

202-6a

III / VIII × I / VIII 3/4 ..281 .89

202-6b

III / VIII × I / IV 3/4 .281 1.03

202-6c

III / VIII × III / VIII 3/4 .281 1.01

202-8b

I / II × I / IV 29.32 .406 1.08

202-8c

I / × × III / VIII 29/32 .406 1.07

202-8d

I / II × I / II 29/32 .406 1.26

202-10d

V / VIII × I / II 1-1 / XVI .531 1.32

202-12e

III / IV × III / IV 1-1 / IV .625 1.39

* Ref.sae No.040102 BA

Inverted Flare caerimonias esse in multis applications. Hae caerimonias constructa aes, quod ensures diuturnitatem et corrosio resistentia. Integrated o-anulus signacula sunt ut Leak-liberum perficientur. Et SAE conveniens etiam occurrit SAE J512 requisita pro pressurized systems.
Nos offerre magna lectio ex Flare Fittings inter-officium, Industrial et Latin Rosebud. Noster invertitur Flare caerimonias fiunt ex C% aes, faciens ea specimen omnes industriae applications.
Inverted Flare caerimonias sunt ad coniungere exercituum et Tubing ad valvulae vel alias cogitationes. Sunt ex Clamp nut, fistulam conveniens et obfirmatis densis circulum. Fibulae nucis tensis onto tubing et tenet fistulam secure in loco et obfirmatis densis anulus prohibet tubum ab extraxerunt cum muneribus. TiTing vim satis est quod haec caerimonias potest esse sine ptfe tape sed oportet adhuc lubricate in relatorum prior ad ecclesiam.

Contactus nobiscum

De Legines

Leginae Industrial Machinery Inc.

Sicut professional Sinis aeris caerimonias fabrica et dis in caerimonias suppliciers.it adoptat plena cnn machining et owns workshop area MMMDC quadratum metris. XLV Automatic Machina Tools, XXXV Semi-Automatic Cnc Machina Tools, tum distributors, qui facti sunt momenti amet pro productio American Latin aes in Sina ...
  • honos
  • honos

Mandatum & News