legines.com
DII invertitur Flare Unionis Clbow

DII invertitur Flare Unionis Clbow

Product Features:
■■ ■■ ■■ ■■ ■■ ■■ ■■ ■■ ■■ ■■ ■■ ■■ ■■ ■■ ■■ ■■ Omnes aeris constructione
■■ Ul enumerantur pro flammabiles liquido et Gas
■■ Iudicum eget requisita Sae J512
■■ Ferro nut ad oeconomia

Fora: Applications:
■■ Aeris condiciones ■■ Refrigerant lineas
■■ Marinus ■■ Lineas fregit
■■ Mobilis ■■ Fuel lineas
■■ Engines

Compatible Tubing:
■■ Aes
■■ Aes
■■ Aluminium
■■ Welded ferro hydraulical Tubing

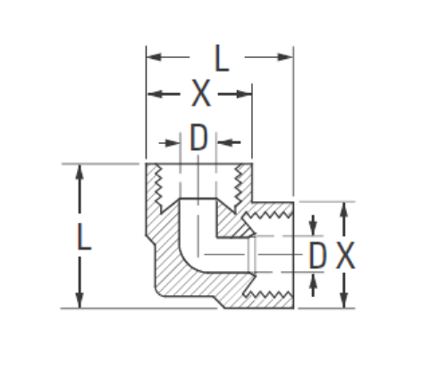
Reference Part No:
DII - CDL

Contact Us

Cubits

Pars #

O.d fistulam

D

M

L

502-4 1/4 .188 .53 .77
502-5 * 5/16 .219 .59 .86
502-6 * 3/8 .281 .72 1.04

* Non vexillum

* Ref.sae No.040201 Ba

Et DII invertitur Flare unio cubito est a flare unionem quod providet universaliter compatible nexu pro Tubing in downstream parte parte. Hoc est omnibus aeris constructione, is ulistered pro flammabiles liquore et Gas, et obvium habueris eget requisita Sae J512. Ferro nut ad oeconomia placere reprehendo Ref.
Hoc unio cubito est a plumbing conveniens in refrigerationem et aer valetudo systems. Est typice coniuncta aeris argentum aut aere Tubing. Et Fitnings includere INCILE foramina ad auxilium exhaurire ad condensationem ex Tubing.

Contactus nobiscum

De Legines

Leginae Industrial Machinery Inc.

Sicut professional Sinis aeris caerimonias fabrica et dis in caerimonias suppliciers.it adoptat plena cnn machining et owns workshop area MMMDC quadratum metris. XLV Automatic Machina Tools, XXXV Semi-Automatic Cnc Machina Tools, tum distributors, qui facti sunt momenti amet pro productio American Latin aes in Sina ...
  • honos
  • honos

Mandatum & News