legines.com
MMMD # Brass Fittings XC Degree Cubitus Pipe Fittings

MMMD # Brass Fittings XC Degree Cubitus Pipe Fittings

Product Features: Fora:
■■ ■■ ■■ ■■ ■■ ■■ ■■ ■■ ■■ ■■ ■■ ■■ ■■ ■■ ■■ ■■ Omnes aeris constructione ■■ Industrialis
■■ Occurrit eget elit ■■ Constructio
Sae J530 et Sae J531 ■■ Gravibus officium salsissimus
■■ Fila est ad dryseal signa ■■ Mobilis
■■ Et delectationum et extrusions available ■■ Factory / Processus Automation

Applications: Compatible Tubing:
■■ Lineas ■■ Aes
■■ Aqua linea ■■ Aes
■■ Refrigerant lineae ■■ Fistulam ferrum

Specifications:
Pressura range usque ad M Psi
Temperatus range -65˚ ad 250˚f

Typical Application:
Uncto, Fuels, LP et Naturalis Gas, refrigertion.insRumentation et Hydrau Systems

Secundum conformance:
Occurrit cubits et signa Asa, Asme et Sae.

Reference Part No:
2200p - MMMD - CCCII - CC - (XXVIII) I (XXVIII) DV - C

Contact Us

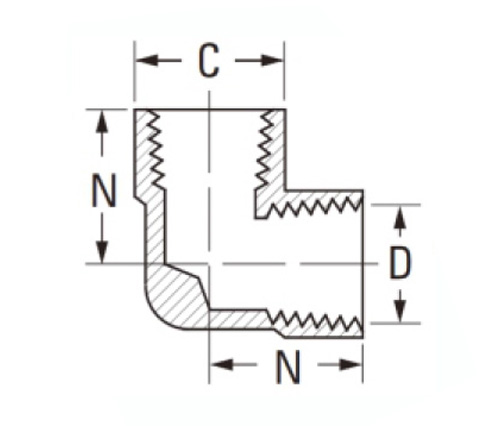
Cubits

Pars # Thread magnitudine C D N N
MMMD-a I / VIII × I / VIII 9/16 .219 .66 .47
MMMD-b I / IV × I / IV 11/16 .315 .91 .72
MMMD-C III / VIII × III / VIII 13/16 .438 .97 .78
MMMD-D I / II × I / II I " .562 1.25 1.03
MMMD-E III / IV × III / IV I "-1/4 .750 1.38 1.12

Ref.sae No.130238

Ex aere noster XC-gradu cubitus artificialia in occursum necessitates industrialis et constructione applications. Cathed aes est durabile, magis et minus verisimile flectere quam extruditur products. Nostrae caerimonias etiam melius resistentia ad inpulsa et tremor. Nos offerre utraque ficta et extruditur pipe caerimonias projects in omni industria applications, possidet aer lineas, aqua lineas, refrigerationem lineae et magis. Brass caerimonias artificialia summa qualitas signa. Ex clangore processus ad threading et finis consummatione, singulis scaena est sedatus cum praecisione tools. His caerimonias occursum eget requisita Sae J530 et Sae J531, cum compatible cum sae vexillum sab J514 et asme b16.21.Our XC gradus cubitus fabricata a aes, providente fortis et structura structuram. Nos offerre tam officinas et salsissimus vir vivens adscribens options cum duo diversis basibus configurationibus ad accommodare magna genuit Tubing magnitudinum. Utrum tibi quaeritis pro tortor aut vis ad upgrade vestri ratio, exciderunt, cervas can auxilium.

Contactus nobiscum

De Legines

Leginae Industrial Machinery Inc.

Sicut professional Sinis aeris caerimonias fabrica et dis in caerimonias suppliciers.it adoptat plena cnn machining et owns workshop area MMMDC quadratum metris. XLV Automatic Machina Tools, XXXV Semi-Automatic Cnc Machina Tools, tum distributors, qui facti sunt momenti amet pro productio American Latin aes in Sina ...
  • honos
  • honos

Mandatum & News