legines.com
MMMCLI # aeris Fittings Quadratum Caput obturaculum pipe Fittings

MMMCLI # aeris Fittings Quadratum Caput obturaculum pipe Fittings

Product Features: Fora:
■■ ■■ ■■ ■■ ■■ ■■ ■■ ■■ ■■ ■■ ■■ ■■ ■■ ■■ ■■ ■■ Omnes aeris constructione ■■ Industrialis
■■ Occurrit eget elit ■■ Constructio
Sae J530 et Sae J531 ■■ Gravibus officium salsissimus
■■ Fila est ad dryseal signa ■■ Mobilis
■■ Et delectationum et extrusions available ■■ Factory / Processus Automation

Applications: Compatible Tubing:
■■ Lineas ■■ Aes
■■ Aqua linea ■■ Aes
■■ Refrigerant lineae ■■ Fistulam ferrum

Specifications:
Pressura range usque ad M Psi
Temperatus range -65˚ ad 250˚f

Typical Application:
Uncto, Fuels, LP et Naturalis Gas, refrigertion.insRumentation et Hydrau Systems

Secundum conformance:
Occurrit cubits et signa Asa, Asme et Sae.

Reference Part No:
MMMCLI - 211p - 109a - 109b

Contact Us

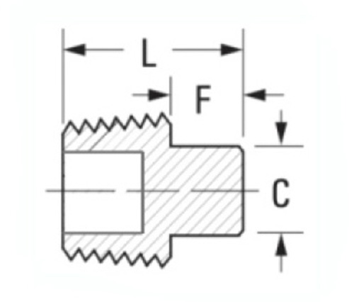
Cubits

Pars #

Thread Size

C

F

L

MMMCLI-a

1/8

.28

.24

.58

MMMCLI, b

1/8

.37

.29

.80

* 3151L-b

1/4

.37

.29

.80

MMMCLI-c

3/8

.43

.32

.80

3151L-c

3/8

.43

.32

.80

MMMCLI-D

1/2

.56

.39

1.07

* 3151L-D

1/2

.56

.39

1.07

MMMCLI, E

3/4

.62

.43

1.11

* 3151L-E

3/4

.62

.43

1.11

* Cavo

Nostri MMMCLI series offert plenam range de tubo caerimonias usus in aere lineas aquae lineas et lubrication systems. Haec aeris caerimonias sunt fabricari a SA J530 et SA J531 materiae in occursum tuum opus pressuris et temperaturis ad Service vitae. Fitnings pluma et remittings et extrusions available, tum corrosio repugnant plating opercula, quae possunt depingere ad quovis standing.all æris constructione praebet superioris corrosio resistentia et vires. Hoc convenit occurrit J530 vexillum, et compatible cum ventilat fistula threading. Utrum tibi aedificare novum aere linea vel repositoque senior metallum caerimonias cum modern technology, his durabile caerimonias auxiliatus sum tibi adepto officium iustum.
In quadratum caput plug caerimonias sunt fabricari aeris et potest esse in variis applications inter refrigerationem lineas, aquae lineas, aere lineas, electronic hospites. Quisque conveniens est compatible cum aeris Tubing et ferrum tibia tum aes Tubing.

Contactus nobiscum

De Legines

Leginae Industrial Machinery Inc.

Sicut professional Sinis aeris caerimonias fabrica et dis in caerimonias suppliciers.it adoptat plena cnn machining et owns workshop area MMMDC quadratum metris. XLV Automatic Machina Tools, XXXV Semi-Automatic Cnc Machina Tools, tum distributors, qui facti sunt momenti amet pro productio American Latin aes in Sina ...
  • honos
  • honos

Mandatum & News