legines.com
XXXIX # SAE XLV ° Fereas Brass Fittings Lacedaedia

XXXIX # SAE XLV ° Fereas Brass Fittings Lacedaedia

Product Features:
■■ ■■ ■■ ■■ ■■ ■■ ■■ ■■ ■■ ■■ ■■ ■■ ■■ ■■ ■■ ■■ Omnes aeris constructione
■■ Resistit vibrationis cum usu longa nut
■■ Ul listing
■■ Eget requisita Sae J512 et J513


Fora: Applications:
■■ Refrigeratio ■■ Refrigerant lineas
■■ Gravibus officium salsissimus ■■ Propona
■■ Mobilis ■■ Fuels
■■ Industrialis ■■ Adapters
■■ Calefactio ■■ Naturalis Gas
■■ Aeris condiciones

Reference Part No:
LVIII - LVII - CDXXXIX - 639f - P2 - Pf - MMCCXXIX - (X) LXIII (X) LXIX

Contact Us

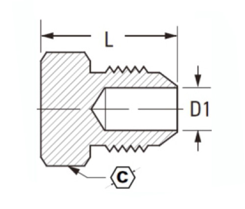
Cubits

Pars # O.d fistulam C D1 L
39-2 1/8 7/16 .079 .47
39-3 3/16 1/2 .126 .58
39-4 1/4 9/16 .189 .69
39-5 5/16 5/8 .220 .79
39-6 3/8 3/4 .282 .88
39-8 1/2 7/8 .408 1.06
39-10 5/8 1-1 / XVI .502 1.19
39-12 3/4 1-5 / XVI .627 1.30

* Ref.sae No.010109

Hoc SAE XLV ° Feria Brass apta est specimen pro refrigerationem, aer condiciones et propane lineae. Non features a longum nut ad vibrationis resistentia et compatible cum sab J512 et J513 signa. Hoc decet factum ex altum qualitas aes et fabricari ad exigere signa ut superior perficientur.

Contactus nobiscum

De Legines

Leginae Industrial Machinery Inc.

Sicut professional Sinis aeris caerimonias fabrica et dis in caerimonias suppliciers.it adoptat plena cnn machining et owns workshop area MMMDC quadratum metris. XLV Automatic Machina Tools, XXXV Semi-Automatic Cnc Machina Tools, tum distributors, qui facti sunt momenti amet pro productio American Latin aes in Sina ...
  • honos
  • honos

Mandatum & News