legines.com
LIV # SAE XLV ° Fallensis aeris Fittings Forged XLV ° Masculum Clbow

LIV # SAE XLV ° Fallensis aeris Fittings Forged XLV ° Masculum Clbow

Product Features:
■■ ■■ ■■ ■■ ■■ ■■ ■■ ■■ ■■ ■■ ■■ ■■ ■■ ■■ ■■ ■■ Omnes aeris constructione
■■ Resistit vibrationis cum usu longa nut
■■ UL listing
■■ Eget requisita Sae J512 et J513


Fora; Applications:
■■ Refrigeratio ■■ Refrigerant lineae
■■ Gravibus officium salsissimus ■■ Propona
■■ Mobilis ■■ Fuels
■■ Industrialis ■■ Adapters
■■ Calefactio ■■ Naturalis Gas
■■ Aeris condiciones

Reference Part No:
E415 - 654F - XLVII - LIV - 59 - (IV) CMXLV - 159f - CCLIV - 10448-10459

Contact Us

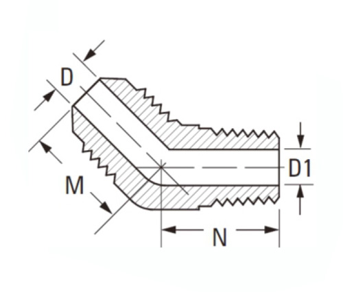
Cubits

Pars #

Flare O.D × Thared

D

D1

M

N

54-4a

I / IV × I / VIII

.189

.219

.67

.64

54-4b

I / IV × I / IV

.189

.312

.75

.86

54-5a

V / XVI × I / VIII

.219

.219

.78

.64

54-5b

V / XVI × I / IV

.219

.312

.81

.86

54-6b

III / VIII × I / IV

.282

.312

.91

.86

54-6c

III / VIII × III / VIII

.282

.438

.93

.94

54-6d

III / VIII × I / II

.282

.562

.99

1.17

54-8c

I / × × III / VIII

.408

.438

1.07

.88

54-8d

I / II × I / II

.408

.562

1.12

1.17

54-10c

V / VIII × III / VIII

.500

.438

1.13

.95

54-10d

V / VIII × I / II

.500

.562

1.13

1.17

54-12d

III / IV × I / II

.625

.750

1.28

1.17

54-12e

III / IV × III / IV

.625

.750

1.41

1.20

* Ref.sae No.010302

Hoc est a Sae XLV ° Fereas aes conveniens, ut features a fronte XLV ° Male Elbow.The aes constructione facit hoc decet valde certa et durabile. Et eget requisita Sae J512 et J513 occurrit per hoc conveniens, cum usu diu nut reducit tremens cum usu.

Contactus nobiscum

De Legines

Leginae Industrial Machinery Inc.

Sicut professional Sinis aeris caerimonias fabrica et dis in caerimonias suppliciers.it adoptat plena cnn machining et owns workshop area MMMDC quadratum metris. XLV Automatic Machina Tools, XXXV Semi-Automatic Cnc Machina Tools, tum distributors, qui facti sunt momenti amet pro productio American Latin aes in Sina ...
  • honos
  • honos

Mandatum & News