legines.com
L # SAE XLV ° Fallens Cubed XC ° Feminam Cubitus Aeris Flandrie

L # SAE XLV ° Fallens Cubed XC ° Feminam Cubitus Aeris Flandrie

Product Features:
■■ ■■ ■■ ■■ ■■ ■■ ■■ ■■ ■■ ■■ ■■ ■■ ■■ ■■ ■■ ■■ Omnes aeris constructione
■■ Resistit vibrationis cum usu longa nut
■■ Ul listing
■■ Eget requisita Sae J512 et J513


Fora: Applications:
■■ Refrigeratio ■■ Refrigerant lineae
■■ Gravibus officium salsissimus ■■ Propona
■■ Mobilis ■■ Fuels
■■ Industrialis ■■ Adapters
■■ Calefactio ■■ Naturalis Gas
■■ Aeris condiciones

Reference Part No:
L - 150f - E3 - S150

Contact Us

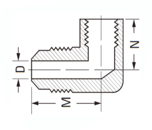
Cubits

Pars #

Flare O.D × Thread

D

M

N

503a

III / XVI × I / VIII

.126

.81

.48

50-4a

I / IV × I / VIII

.189

.90

.48

50-4b

I / IV × I / IV

.189

.97

.65

50-4c

I / IV × III / VIII

.189

1.03

.60

50-4d

I / IV × I / II

.189

1.08

.66

50-5a

V / XVI × I / VIII

.219

.94

.88

50-5b

V / XVI × I / IV

.219

1.03

.60

50-5c

V / XVI × III / VIII

.219

1.05

.60

50-6a

III / VIII × I / VIII

.282

1.00

.88

50-6b

III / VIII × I / IV

.282

1.06

.60

50-6c

III / VIII × III / VIII

.282

1.06

.60

50-6d

III / VIII × I / II

.282

1.23

.78

50-8b

I / II × I / IV

.408

1.25

.70

50-8c

I / × × III / VIII

.408

1.25

.70

50-8d

I / II × I / II

.408

1.36

.80

50-8E

I / × × III / IV

.408

1.51

.92

50-10d

V / VIII × I / II

.500

1.42

.82

50-10E

V / VIII × III / IV

.500

1.64

.95

* Dimension data potest mutare sine notitiam

* Ref.sae No.010203

Omnes aes constructione, in L # Sae XLV ° For Collaged XC ° Feminam Cubitus aes Flamere caerimonias sunt Ul enumerantur et resistere vibrationis cum usu longa nut. Et eget requisita Sae J512 et J513 occurrit cum hoc productum faciens idealis pro refrigeratur, gravibus officium salsissimus vir et mobile cibus applications. Haec adapters sunt optimized ut in mobili apparatu ubi gravibus officium trucking non requiritur.

Contactus nobiscum

De Legines

Leginae Industrial Machinery Inc.

Sicut professional Sinis aeris caerimonias fabrica et dis in caerimonias suppliciers.it adoptat plena cnn machining et owns workshop area MMMDC quadratum metris. XLV Automatic Machina Tools, XXXV Semi-Automatic Cnc Machina Tools, tum distributors, qui facti sunt momenti amet pro productio American Latin aes in Sina ...
  • honos
  • honos

Mandatum & News