legines.com
LXXII # compressionem caerimonias masculum genere Tee

LXXII # compressionem caerimonias masculum genere Tee

Applications: mercatis:
■■ ■■ ■■ ■■ ■■ ■■ ■■ ■■ ■■ ■■ ■■ ■■ ■■ ■■ ■■ ■■ ■■ Lineas ■■ Industrialis
■■ Lubricatae lineae ■■ Packaging
■■ Refrigerant lineae ■■ Pneumatic
■■ Industria ■■ Printing
■■ Machinamentum
■■ Compressors
■■ Fluidus

Product Features:
■■ I occurrit eget SAE J-DXII
■■ Ul enumerantur pro Flammabiles Liquid
■■ Aes aut acetal sleeve praesto
■■ Non Tube praeparatio
■■ Forma et extruditur

Reference Part No:
LXXII - 172C - S72 - 72a

Contact Us

Cubits

Pars #

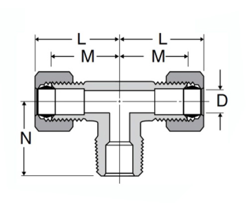
Fistulam O.D × Male NTPF

M

N

D

72-3a

III / XVI × I / VIII

.63

.69

.125

72-4a

I / IV × I / VIII

.63

.75

.188

72-4b

I / IV × I / IV

.69

.88

.188

72-5a

V / XVI × I / VIII

.72

.75

.250

72-5b

V / XVI × I / IV

.75

.88

.250

72-6a

III / VIII × I / VIII

.75

.75

.312

72-6b

III / VIII × I / IV

.79

.87

.312

72-6c

III / VIII × III / VIII

.88

1.00

.330

72-8c

I / × × III / VIII

.94

1.09

.406

72-8d

I / II × I / II

.97

1.19

.406

72-10d

V / VIII × I / II

1.06

1.31

.500

Omnes compressionem caerimonias sunt fabricari ad occursum vel excedunt ad eget requisita Sae J-DXII et Ul enumerantur pro flammabiles liquore. Sunt ex Aluminium Alloy, aes aut acetal. Nostri et extrudi figuras habere altum gradum resistentiae ad dampnum quod esset Northmanni fieri in magis conventional caerimonias. Non faciam quis figura potes imaginari usque ad maximum diameter II. "
Et compressione caerimonias masculum genere Tee est a XC ° genere-type Tee apta ad usum cum aeris, immaculatam ferro, et thermoplastic pipe. Cubitus Swivels CCCLX ° ut facilius ad coniungere ad lenta angulos et Tee tibiae.

Contactus nobiscum

De Legines

Leginae Industrial Machinery Inc.

Sicut professional Sinis aeris caerimonias fabrica et dis in caerimonias suppliciers.it adoptat plena cnn machining et owns workshop area MMMDC quadratum metris. XLV Automatic Machina Tools, XXXV Semi-Automatic Cnc Machina Tools, tum distributors, qui facti sunt momenti amet pro productio American Latin aes in Sina ...
  • honos
  • honos

Mandatum & News