legines.com
LXX # Cubur XC ° Female cubiti compressionem Fittings

LXX # Cubur XC ° Female cubiti compressionem Fittings

Applications: mercatis:
■■ ■■ ■■ ■■ ■■ ■■ ■■ ■■ ■■ ■■ ■■ ■■ ■■ ■■ ■■ ■■ ■■ Lineas ■■ Industrialis
■■ Lubricatae lineae ■■ Packaging
■■ Refrigerant lineae ■■ Pneumatic
■■ Industria ■■ Printing
■■ Machinamentum
■■ Compressors
■■ Fluidus

Product Features:
■■ I occurrit eget SAE J-DXII
■■ Ul enumerantur pro Flammabiles Liquid
■■ Aes aut acetal sleeve praesto
■■ Non Tube praeparatio
■■ Forma et extruditur

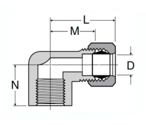
Reference Part No:
LXX - 170c - S70 - 70a

Contact Us

Cubits

Pars #

Tube o.D x Femalr NPTF

N

M

D

70-3A

III / 16x1 / VIII

.470

.69

.125

70-4a

I / 4x1 / VIII

.470

.69

.188

70-4b

I / 4x1 / IV

.562

.75

.188

70-5a

V / 16x1 / VIII

.600

.78

.234

70-5b

V / 16x1 / IV

.562

.78

.250

70-6b

III / 8x1 / IV

.580

.81

.312

70-6c

III / 8x3 / VIII

.580

.88

.312

70-8b

I / 2x1 / IV

.700

1.00

.312

70-8c

I / 2x3 / VIII

.700

1.00

.406

70-8d

I / 2x1 / II

.880

1.00

.406

* Ref.sae No.060203 BA

Et LXX # Female Cubitus est certa compressio conveniens factum est in occursum Sae J-DXII. Hoc conveniens est disposito cum a XC ° angulo relative ad tubing axis et potest ad genere off aut angulus aliqua post installation. Catheda aes aut acetal sleeve sino facile conventus cum non Tube praeparatione requiritur.
Et LXX gradus feminam cubitum usus est ad fluxus potestate et potest esse in mitis ferro, immaculatam ferro, aluminium et plastics. Et LXX gradus feminam cubitum includit a plastic aut aes sleeve quod offert corrosio resistentia. Hoc conveniens est compatible cum mollis usque ad Tubing Tubing et collum mole par tubing cum convenisset.

Contactus nobiscum

De Legines

Leginae Industrial Machinery Inc.

Sicut professional Sinis aeris caerimonias fabrica et dis in caerimonias suppliciers.it adoptat plena cnn machining et owns workshop area MMMDC quadratum metris. XLV Automatic Machina Tools, XXXV Semi-Automatic Cnc Machina Tools, tum distributors, qui facti sunt momenti amet pro productio American Latin aes in Sina ...
  • honos
  • honos

Mandatum & News