legines.com
LXXII # Aeris Male Run Tee compressionem Fittings

LXXII # Aeris Male Run Tee compressionem Fittings

Aeris Male Run Tee compressionem Fittings LXXI

Applications: mercatis:
■■ ■■ ■■ ■■ ■■ ■■ ■■ ■■ ■■ ■■ ■■ ■■ ■■ ■■ ■■ ■■ ■■ Lineas ■■ Industrialis
■■ Lubricatae lineae ■■ Packaging
■■ Refrigerant lineae ■■ Pneumatic
■■ Industria ■■ Printing
■■ Machinamentum
■■ Compressors
■■ Fluidus

Product Features:
■■ I occurrit eget SAE J-DXII
■■ Ul enumerantur pro Flammabiles Liquid
■■ Aes aut acetal sleeve praesto
■■ Non Tube praeparatio
■■ Forma et extruditur

LXXI - 171C - 71a - S71

Contact Us

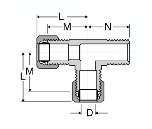
Cubits

Pars #

Fistulam O.D × Male NTPF

M

N

D

71-3a

III / XVI × I / VIII

.63

.69

.125

71-4a

I / IV × I / VIII

.63

.75

.188

71-4b

I / IV × I / IV

.69

.88

.188

71-5a

V / XVI × I / VIII

.72

.75

.250

71-5b

V / XVI × I / IV

.75

.88

.250

71-6a

III / VIII × I / VIII

.75

.75

.312

71-6b

III / VIII × I / IV

.79

.87

.312

71-6c

III / VIII × III / VIII

.88

1.00

.330

71-8c

I / × × III / VIII

.94

1.09

.406

71-8d

I / II × I / II

.97

1.19

.406

71-10d

V / VIII × I / II

1.06

1.31

.500

Nostrum LXXII # aes Masculum currere Tee compressionem caerimonias obviam eget elit Sae J-DXII et sunt ulisted pro flammabiles liquore. Hae caerimonias non habet fistulam praeparatio, et non ex extruditur figuras. Sunt available in a range of materiae comprehendo aes, plastic et metallum manica. Eam features aes aut acetal sleeve et potest esse in varietate applications ut undercarriages, transmissiones et cibus systems. Non Tube praeparatio non requiritur.

Contactus nobiscum

De Legines

Leginae Industrial Machinery Inc.

Sicut professional Sinis aeris caerimonias fabrica et dis in caerimonias suppliciers.it adoptat plena cnn machining et owns workshop area MMMDC quadratum metris. XLV Automatic Machina Tools, XXXV Semi-Automatic Cnc Machina Tools, tum distributors, qui facti sunt momenti amet pro productio American Latin aes in Sina ...
  • honos
  • honos

Mandatum & News