legines.com
LXV # XC ° Masculum Unionis Clbow Compressio Fittings

LXV # XC ° Masculum Unionis Clbow Compressio Fittings

Applications: mercatis:
■■ ■■ ■■ ■■ ■■ ■■ ■■ ■■ ■■ ■■ ■■ ■■ ■■ ■■ ■■ ■■ ■■ Lineas ■■ Industrialis
■■ Lubricatae lineae ■■ Packaging
■■ Refrigerant lineae ■■ Pneumatic
■■ Industria ■■ Printing
■■ Machinamentum
■■ Compressors
■■ Fluidus

Product Features:
■■ I occurrit eget SAE J-DXII
■■ Ul enumerantur pro Flammabiles Liquid
■■ Aes aut acetal sleeve praesto
■■ Non Tube praeparatio
■■ Forma et extruditur

Reference Part No:
LXV - CCLXV - 65a - S65

Contact Us

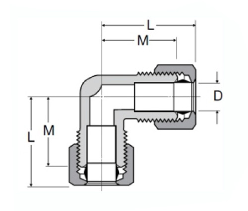
Cubits

PRT # Tube Size O.D M D
65-3 3/16 .61 .125
65-4 1/4 .66 .188
65-5 5/16 .69 .250
65-6 3/8 .72 .312
65-8 1/2 .94 .406
65-10 5/8 1.06 .500
65-12 3/4 1.19 .562
65-6-4 III / 8x1 / IV .75 / .69 .125
65-8-6 I / 2x3 / VIII .94 / .88 .312

Sursum ad VI temporibus levior quam fregerunt caerimonias, in LXV series features a lightweight et corrosio-repugnant acetal et aes corpus et violatum aes centrum pin. Hoc decet concedit vos ad aptet fine tubo ad XC gradus angle. Hoc decet is available in multiple materiae et finiatur comprehendo aes, immaculatam ferro et acetal. Quisque conveniens est cum partis numerus, cursus facile idem omnino in copia catena. Hoc cubito subassembly est typice in cibus systems, ubi aeris tubo ad aeris fistula connexiones commendantur. Numerus of relatorum requiritur ad connexionem potest variari secundum tibia materia, muro crassitudine et filo picem.

Contactus nobiscum

De Legines

Leginae Industrial Machinery Inc.

Sicut professional Sinis aeris caerimonias fabrica et dis in caerimonias suppliciers.it adoptat plena cnn machining et owns workshop area MMMDC quadratum metris. XLV Automatic Machina Tools, XXXV Semi-Automatic Cnc Machina Tools, tum distributors, qui facti sunt momenti amet pro productio American Latin aes in Sina ...
  • honos
  • honos

Mandatum & News