legines.com
Bspt / Bspp Hex pipe Pipe Decet MMD

Bspt / Bspp Hex pipe Pipe Decet MMD

"Hex papilla ad connectens duo fila fistulas et caerimonias et extendens pipe longitudinem, hexagonal media sectionem ad tensis cum clavis.
Masculum NPT relatorum ad connectens ad feminam fila fistularum.
Fusce aes enim corrosio resistentia, ductility ad altum temperaturis et humilis magnetica permeability.
Operating pressura usque ad 1200psi, temperatus range of -40 ° F CLXX ° F. "

Typical Application:
Uncto, refrigeratur, instrumental et hydrau systems.fuel

Commoda:
Dryseal pipe Sequelae (BSPT (R) / Bsp (G) .large range of magnitudinum et configurations

Contact Us

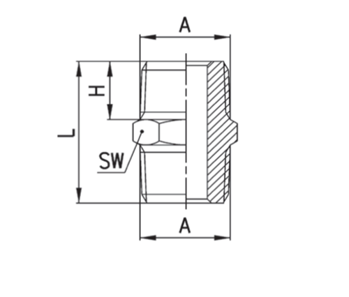
Cubits

Pars #

Thread magnitudine est

S.w

L

H

MMD

R1 / VIII

12

19.5

7.5

-D MMD

R1 / IV

14

27.0

11.0

MMD-C

R3 / VIII

17

28.0

11.5

D, D

R1 / II

22

33.5

14.0

MMD, E

R3 / IV

27

40.0

16.5

MMD-F

R1 "

34

45.5

19

Pipule, summus qualitas hex pipe aptius est disposito providere rigidum iuncturam inter binas cum dryseal (salutem) relatorum. Potest esse in aquam, aer et oleum systems, inter calefactio et refrigerationem applications. In materia est corrosio repugnant, non-magnetica et electroplated pro maiorem vires et diuturnitatem.

Contactus nobiscum

De Legines

Leginae Industrial Machinery Inc.

Sicut professional Sinis aeris caerimonias fabrica et dis in caerimonias suppliciers.it adoptat plena cnn machining et owns workshop area MMMDC quadratum metris. XLV Automatic Machina Tools, XXXV Semi-Automatic Cnc Machina Tools, tum distributors, qui facti sunt momenti amet pro productio American Latin aes in Sina ...
  • honos
  • honos

Mandatum & News