legines.com
Nickel, patella reducing papilla MMDI

Nickel, patella reducing papilla MMDI

Nickel-patella papilla ad connectens duo fila fistulas aut caerimonias extendens pipe
-Male NPT Sequelae ad connectens ad feminam fila Forum
-Hexagonal media sectionem ad tensis cum clavis
-Bass enim corrosio resistentia, ductility ad altum temperaturis et humilis magnetica permeability

Typical Application:
Uncto, refrigeratur, instrumental et hydrau systems.fuel

Commoda:
Dryseal pipe Sequelae (BSPT (R) / Bsp (G) .large range of magnitudinum et configurations

Contact Us

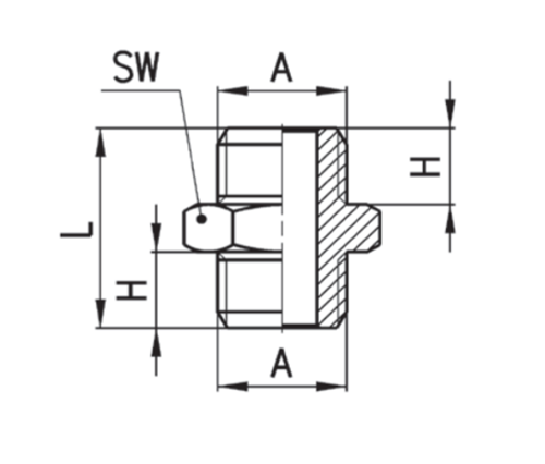
Cubits

Pars #

Thread magnitudine est

S.w

L

H

MMDI-M5

M5

8

11.5

4.0

MMDI-a

G1 / VIII

13

16.5

6.0

MMDI-b

G1 / IV

17

21.0

8.0

MMDI-C

G3 / VIII

19

23.0

9.0

MMDI-D

G1 / II

24

25.5

10.0

Contactus nobiscum

De Legines

Leginae Industrial Machinery Inc.

Sicut professional Sinis aeris caerimonias fabrica et dis in caerimonias suppliciers.it adoptat plena cnn machining et owns workshop area MMMDC quadratum metris. XLV Automatic Machina Tools, XXXV Semi-Automatic Cnc Machina Tools, tum distributors, qui facti sunt momenti amet pro productio American Latin aes in Sina ...
  • honos
  • honos

Mandatum & News