legines.com
24m predo multiplex

24m predo multiplex

Product Features:
■■ ■■ ■■ ■■ ■■ ■■ ■■ ■■ ■■ ■■ ■■ ■■ ■■ ■■ ■■ ■■ ■■ ■■ AES
■■ Buna N O-Annuli
■■ Stainless Steel Tube Support
■■ Occurrat d.o.t. FMVSS571.106
■■ I2494-3 SAE occurrit
■■ Corpus - Fortis, Lightweight, pacto et impulsum repugnans
■■ Plug in configurationibus

Fora;
■■ Gravibus officium salsissimus
■■ Trailer
■■ Mobilis

Applications:
■■ Aeris ardua dumos
■■ Aere obterere
■■ Aeris Ride
■■ Sliders
■■ Strigare incremento
■■ Prima & SecondaryAir lineae
■■ CAB controls

Contact Us

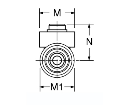
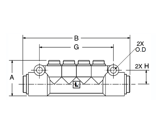
Cubits

Pars

No.

O.d fistulam

lnlet

O.d fistulam

Outlet

A B D G H M M1 N
24m, 4-4 1/4 1/4 1.33 3.98 .21 2.75 .53 .90 .88 .89
6-4, 6-4 3/8 1/4 1.33 4.00 .21 2.75 .53 .90 .88 .89
24m, 6-6 3/8 3/8 1.65 6.49 .22 4.55 .60 1.02 1.02 1.33
, 24m, 8-8 1/2 1/2 1.65 6.49 .22 4.55 .60 1.02 1.02 1.33
24m, 8-6-4-4-6-8 1/2 III / VIII & I / IV 1.65 6.49 .22 4.55 .60 1.02 1.02 1.17

24m predo multiplex aedificatur providere facile, velox et reliable servitium. Compositum corpus fortis, Lightweight, impulsum repugnans et pacto consilium praebet vires dum reducing mole. In 24m predo multiplex est disposito in occursum d.o.t fmvs571.106, sae J2494-3 Requisita princeps pressura applications. Et plug & ludere capabilities patitur ad maximum versatility in omni application.

Contactus nobiscum

De Legines

Leginae Industrial Machinery Inc.

Sicut professional Sinis aeris caerimonias fabrica et dis in caerimonias suppliciers.it adoptat plena cnn machining et owns workshop area MMMDC quadratum metris. XLV Automatic Machina Tools, XXXV Semi-Automatic Cnc Machina Tools, tum distributors, qui facti sunt momenti amet pro productio American Latin aes in Sina ...
  • honos
  • honos

Mandatum & News