legines.com
369ptc masculum cubitum SMBLE XC °

369ptc masculum cubitum SMBLE XC °

Product Features:
■■ ■■ ■■ ■■ ■■ ■■ ■■ ■■ ■■ ■■ ■■ ■■ ■■ ■■ ■■ ■■ ■■ ■■ AES
■■ Buna N O-Annuli
■■ Stainless Steel Tube Support
■■ Occurrat d.o.t. FMVSS571.106
■■ I2494-3 SAE occurrit
■■ Corpus - Fortis, Lightweight, pacto et impulsum repugnans
■■ Plug in configurationibus

Fora:
■■ Gravibus officium salsissimus
■■ Trailer
■■ Mobilis

Applications:
■■ Aeris ardua dumos
■■ Aere obterere
■■ Aeris Ride
■■ Sliders
■■ Strigare incremento
■■ Prima & SecondaryAir lineae
■■ CAB controls

Contact Us

Cubits

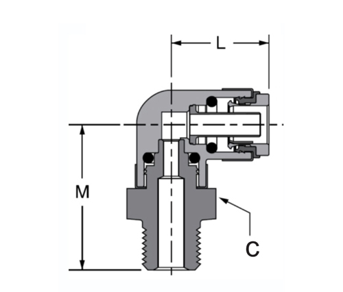
Reference Part No:

Pars # Tube mole X masculum NTPF C M L W.g Pricio
369ptc, 4a I / IV × I / VIII 9/16 .69 .69
369ptc, 4b I / IV × I / IV 9/16 .69 1.20
369Ptc, 4C I / IV × III / VIII 9/16 .69 1.20
369ptc, 6a III / VIII × I / VIII 3/4 .99 1.13
369Ptc, 6B III / VIII × I / IV 3/4 .99 1.28
369Ptc, 6C III / VIII × III / VIII 3/4 .99 1.28
369ptc, 6d III / VIII × I / II 3/4 .99 1.47
369ptc, 8b I / II × I / IV 15/16 1.11 1.39
369Ptc, 6C I / × × III / VIII 15/16 1.11 1.39
369ptc, 6d I / II × I / II 15/16 1.11 1.58
369ptc, 10C V / VIII × III / VIII 1-1 / XVI 1.33 1.60
369ptc, 10d V / VIII × I / II 1-1 / XVI 1.33 1.79
369Ptc, 12d III / IV × I / II 1-3 / XVI 1.52 1.89
369ptc-12e III / 4x3 / IV 1-3 / XVI 1.52 1.89

Et 369ptc masculum cubito est princeps qualitas, plene probata Swivel iungo cum metallum collet, Buna N O-circulum et immaculatam ferro fistulam Support. Occurrit d.o.t. Fmvs571.106 signa et SAE J2494-3 Signa lenis CCCLX ° Swiveling actio. Et plug-in configurationibus feature compositum corpus - fortis, lightweight, pacto et impulsum repugnant.

Contactus nobiscum

De Legines

Leginae Industrial Machinery Inc.

Sicut professional Sinis aeris caerimonias fabrica et dis in caerimonias suppliciers.it adoptat plena cnn machining et owns workshop area MMMDC quadratum metris. XLV Automatic Machina Tools, XXXV Semi-Automatic Cnc Machina Tools, tum distributors, qui facti sunt momenti amet pro productio American Latin aes in Sina ...
  • honos
  • honos

Mandatum & News