legines.com
MMMCCCL # XLV Degree Street Cubitus Aeris Pipe Fittings

MMMCCCL # XLV Degree Street Cubitus Aeris Pipe Fittings

Product Features: Fora;
■■ ■■ ■■ ■■ ■■ ■■ ■■ ■■ ■■ ■■ ■■ ■■ ■■ ■■ ■■ ■■ Omnes aeris constructione ■■ Industrialis
■■ Occurrit eget elit ■■ Constructio
Sae J530 et Sae J531 ■■ Gravibus officium salsissimus
■■ Fila est ad dryseal signa ■■ Mobilis
■■ Et delectationum et extrusions available ■■ Factory / Processus Automation

Applications: Compatible Tubing:
■■ Lineas ■■ Aes
■■ Aqua linea ■■ Aes
■■ Refrigerant lineae ■■ Fistulam ferrum

Specifications:
Pressura range usque ad M Psi
Temperatus range -65˚ ad 250˚f

Typical Application:
Uncto, Fuels, LP et Naturalis Gas, refrigertion.insRumentation et Hydrau Systems

Secundum conformance:
Occurrit cubits et signa Asa, Asme et Sae.

Reference Part No:
CCCVI - MMMCCCL - 2214P - CCXXIV - 124a

Contact Us

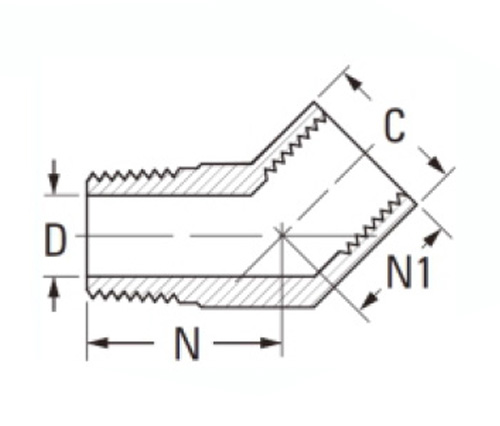
Cubits

Pars # Thread magnitudine C D N N1
MMMCCCL-a I / VIII × I / VIII 9/16 .219 .50 .38
MMMCCCL, b I / IV × I / IV 11/16 .315 .74 .56
MMMCCCL-C III / VIII × III / VIII 13/16 .438 .78 .56
MMMCCCL, D I / II × I / II I " .562 1.00 .76
MMMCCCL, E III / IV × III / IV I "-1/4 .750 1.06 .75

* Ref.sae No.130339

In MMMCCCL est a XLV gradus Street cubitum informibus conveniens. Oportet quod factum est cum varietate diversis regibus materiae et potest resistere ad M Psi. Etiam habet operating temperatus range inter -65˚ et 250˚f.our XLV gradu Street Cubitus aes pipe caerimonias fiunt ad vos exact specifications per nostram quadrigis ex expertis Fabricators. In Street Cubitus est pipe decet, quod habet duas pipe relatorum in unum finem et alterum finem habet a XC ° flectere in pipe. In platea cubitis in multis diversis industries a plumbing ad translationem. Street in femina aut in cubito configuratione ad augendam fluidum fluidorum vel vapores super range of pressuris, temperaturis et linea magnitudinum ut opus a elit.

Contactus nobiscum

De Legines

Leginae Industrial Machinery Inc.

Sicut professional Sinis aeris caerimonias fabrica et dis in caerimonias suppliciers.it adoptat plena cnn machining et owns workshop area MMMDC quadratum metris. XLV Automatic Machina Tools, XXXV Semi-Automatic Cnc Machina Tools, tum distributors, qui facti sunt momenti amet pro productio American Latin aes in Sina ...
  • honos
  • honos

Mandatum & News